YZII‑Serie Peristaltik‑Pumpenköpfe | Bis 3000 mL/min Förderleistung
Peristaltik‑Pumpenköpfe mit Linkage‑Mechanik für hohe Durchflussraten und schnellen Schlauchwechsel.
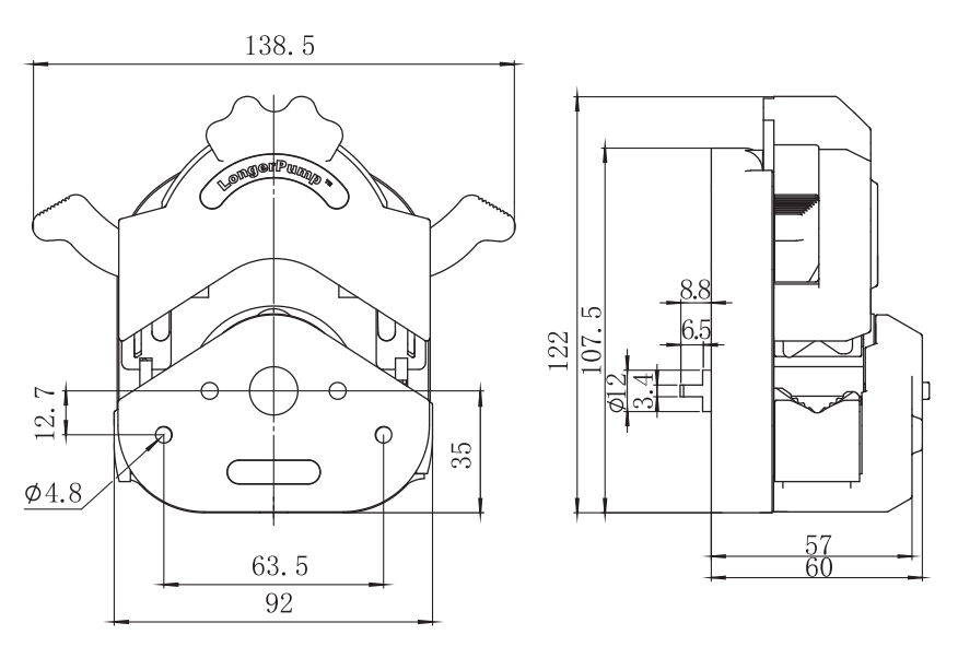
Beschreibung
Die Peristaltik‑Pumpenköpfe der YZII‑Serie sind für hohe Förderleistungen, flexible Schlauchkonfigurationen und eine besonders anwenderfreundliche Handhabung ausgelegt. Die integrierte Linkage‑Mechanik ermöglicht ein schnelles, sicheres Laden und Wechseln der Schläuche – ideal für Anwendungen mit häufigem Schlauchwechsel oder Reinigungsprozessen.
Beide Pumpenköpfe der Serie unterstützen verschiedene Schlauchgrößen und decken dadurch einen großen Durchflussbereich ab. Der integrierte Edelstahl‑Rotor sorgt für eine stabile, gleichmäßige Förderung sowie für eine hohe chemische Beständigkeit und einen zuverlässigen Dauerbetrieb.
Der YZII15 erreicht eine maximale Förderleistung von bis zu 2200 mL/min und eignet sich optimal für mittlere bis hohe Volumenströme bei gleichzeitig hoher Flexibilität.
Der YZII25 ist für sehr hohe Durchflussraten bis 3000 mL/min ausgelegt und nutzt Schläuche mit einer Wandstärke von 2,4 mm. Diese höhere Wandstärke bietet entscheidende Vorteile:
Sie erhöht die mechanische Stabilität des Schlauchs, verbessert die Druck- und Formbeständigkeit und führt zu einer längeren Schlauchlebensdauer, insbesondere im Dauerbetrieb oder bei anspruchsvollen Medien. Dadurch eignet sich der YZII25 besonders für Anwendungen mit hohen mechanischen Belastungen und erhöhten Anforderungen an Prozesssicherheit und Standzeiten.
Spezifiktionen
Parameter
|
YZII15
|
YZII25
|
|---|---|---|
Drehzahlbereich (U/min)
|
≤600rpm
|
≤600rpm
|
Schlauch WT (mm)
|
1,6
|
2,4
|
Rollenanzahl
|
3
|
3
|
Stapelbar
|
Ja
|
Ja
|
Anzahl Kanäle
|
1
|
1
|
Rollenmaterial
|
Edelstahl
|
Edelstahl
|
Gehäusematerial
|
PESU
|
PESU
|
Gewicht (kg)
|
0,35
|
0,35
|
Passende Schläuche
Pumpenkopf
|
Rollenanzahl
|
Schlauchgrößen
|
Schlauch-ID (mm)
|
Schlauch-WT (mm)
|
max. Förderrate @600 U/min (ml/min)
|
|---|---|---|---|---|---|
YZII15
|
3
|
13#14#19#16# 25#17#18#
|
0,8 - 7,9
|
1,6
|
2200
|
YZII25
|
3
|
15#24#35#36#
|
0,8 - 7,9
|
2,4
|
3000
|







