YZ‑Serie Pumpenköpfe – große Schlauchvielfalt & Förderleistung bis 3000 mL/min
Große Auswahl an Schlauchgrößen. Chemisch beständige PESU‑ oder PPS‑Gehäuse, 3‑ oder 6‑Rollen‑Optionen.
Beschreibung
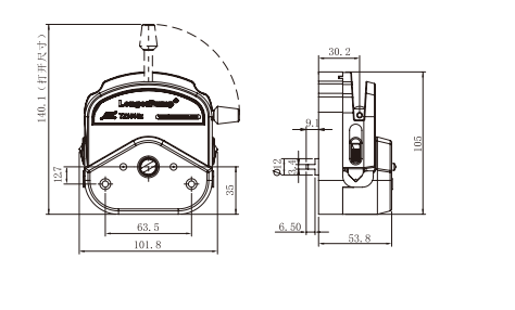
Die Peristaltik‑Pumpenköpfe der YZ‑Serie stehen für eine zuverlässige Förderung hoher Volumenströme, kombiniert mit einfacher Handhabung und hoher chemischer Beständigkeit. Konzipiert für anspruchsvolle Anwendungen in Labor, Industrie und OEM‑Systemen, eignen sich die Pumpenköpfe für eine Vielzahl unterschiedlicher Medien und Prozessanforderungen.
Robuste PESU‑ oder PPS‑Gehäusematerialien gewährleisten eine gute chemische Resistenz, während die wahlweise 3‑ oder 6‑Rollen‑Ausführung eine gezielte Anpassung der Pulsation ermöglicht. Der integrierte Edelstahl‑Rotor sorgt für einen stabilen, langlebigen Betrieb und erhöhte Betriebssicherheit im Dauerbetrieb. Die maximale Förderleistung beträgt bis zu 2200 mL/min.
Ein besonderer Vorteil der YZ2515X‑Version liegt in der erhöhten Schlauch‑Wandstärke von 2,4 mm. Diese sorgt für eine längere Schlauchlebensdauer, verbesserte Druckstabilität sowie eine reduzierte Ermüdung des Schlauchmaterials – insbesondere bei kontinuierlichem Betrieb oder bei Förderung anspruchsvoller Medien. Dadurch ist die YZ2515X‑Ausführung besonders geeignet für Anwendungen mit erhöhten mechanischen Anforderungen und gesteigerten Standzeiten.
Spezifiktionen
Parameter
|
YZ1515X
|
YZ2515X
|
|---|---|---|
Drehzahlbereich (U/min)
|
≤600rpm
|
≤600rpm
|
Schlauch WT (mm)
|
1,6
|
2,4
|
Rollenanzahl
|
3 oder 6
|
3
|
Stapelbar
|
Ja
|
Ja
|
Anzahl Kanäle
|
1
|
1
|
Rollenmaterial
|
Edelstahl
|
Edelstahl
|
Gehäusematerial
|
PESU oder PPS
|
PESU oder PPS
|
Gewicht (kg)
|
0,4
|
0,4
|
Passende Schläuche
Pumpenkopf
|
Rollenanzahl
|
Schlauchgrößen
|
Schlauch-ID (mm)
|
Schlauch-WT (mm)
|
max. Förderrate @600 U/min (ml/min)
|
|---|---|---|---|---|---|
YZ1515X-3
|
3
|
13#14#19#16# 25#17#18#
|
0,8 - 7,9
|
1,6
|
2200
|
YZ1515X-6
|
6
|
13#14#19#16# 25#17#18#
|
0,8 - 7,9
|
1,6
|
1450
|
YZ2515X-3
|
3
|
15# 24#
|
4,8 - 6,4
|
2,4
|
1600
|







