KZ35 Edelstahl Pumpenkopf – Hohe Förderleistung für Pharma & Food
Pumpenkopf aus 304‑Edelstahl, GMP‑konform, leicht zu reinigen und hoher Förderleistung bis 11 000 mL/min..
Beschreibung
Der KZ35 Edelstahl‑Peristaltik‑Pumpenkopf wurde speziell für Anwendungen mit hohen hygienischen Anforderungen entwickelt und eignet sich ideal für den Einsatz in der Pharma‑, Lebensmittel‑ und Biotechnologieindustrie. Der Schwerpunkt liegt auf einem robusten Edelstahlgehäuse, hoher Prozesssicherheit und einfacher Reinigung.
Die zentralen Bauteile bestehen aus 304‑Edelstahl und erfüllen gängige GMP‑Anforderungen. Dadurch ist der Pumpenkopf besonders beständig gegenüber Korrosion, Reinigungsmedien und anspruchsvollen Prozessbedingungen. Die polierte Oberfläche sorgt nicht nur für ein hochwertiges Erscheinungsbild, sondern ermöglicht auch eine leichte und rückstandsarme Reinigung, was für hygienische Prozesse essenziell ist.
Der KZ35 ist als Quick‑Load‑Pumpenkopf ausgeführt und unterstützt sowohl kontinuierliche Schlauchführung als auch den Einsatz von Schlauchanschlüssen mit Fittings. Dadurch lässt sich der Pumpenkopf flexibel an unterschiedliche Anwendungen und Installationskonzepte anpassen.
Mit einer maximalen Förderleistung von bis zu 11 000 mL/min kombiniert der KZ35 sehr hohe Durchflussraten, mechanische Stabilität und hohe chemische sowie hygienische Beständigkeit.
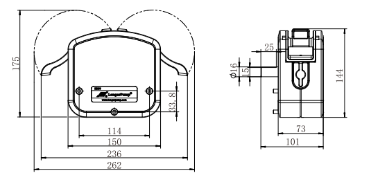
Spezifiktionen
Drehzahlbereich (U/min)
|
≤600rpm
|
Rollenanzahl
|
3
|
Stapelbar
|
Ja
|
Anzahl Kanäle
|
1
|
Rollenmaterial
|
Edelstahl
|
Gehäusematerial
|
Edelstahl
|
Gewicht (kg)
|
3,7
|
Passende Schläuche
Schlauchgröße
|
Schlauch-ID (mm)
|
Schlauch-OD (mm)
|
max. Förderrate @600 U/min (ml/min)
|
|---|---|---|---|
26#
|
6,4
|
13,0
|
11000
|
73#
|
9,6
|
16,2
|
6000
|
82#
|
12,7
|
19,3
|
4000
|
82A#
|
14,5
|
20,9
|
8000
|
184#
|
15,9
|
22,3
|
9000
|
Downloads
KZ35 Datenblatt 3 MB


