YZ35‑13 Peristaltik‑Pumpenkopf – Industrielösung mit 11 000 mL/min
Industrie‑Peristaltik‑Pumpenkopf für sehr hohe Durchflussraten und skalierbare Multikanal‑Systeme.
Beschreibung
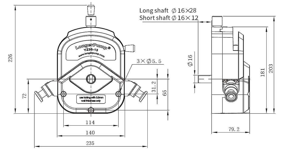
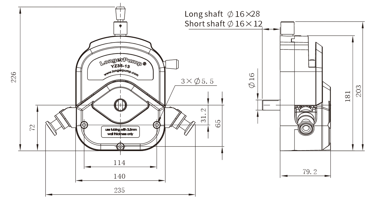
Der YZ35‑13 Peristaltik‑Pumpenkopf wurde speziell für industrielle Anwendungen mit sehr hohen Durchflussraten entwickelt. Dank seiner robusten Bauweise und leistungsstarken Konstruktion eignet er sich ideal für Prozesse, bei denen große Volumenströme, Dauerbetrieb und hohe Prozesssicherheit erforderlich sind. Der Pumpenkopf unterstützt zwei Schlauchfixier‑ und Führungsarten: kontinuierliche Schlauchführung sowie den Einsatz von Schlauchanschlüssen mit Fittings. Die verwendeten Schläuche mit einer Wandstärke von 3,3 mm sorgen für eine hohe mechanische Stabilität, verbesserte Druckbeständigkeit und eine lange Standzeit – auch bei anspruchsvollen Medien und dauerhaftem Betrieb.
Ein besonderer Vorteil ist die stapelbare Bauweise, mit der sich der Pumpenkopf zu mehrkanaligen Systemen erweitern lässt. Dies ermöglicht kompakte, platzsparende Multikanal‑Lösungen. Das PSU‑Gehäuse in Kombination mit 304‑Edelstahl‑Rollen sorgt für eine hohe mechanische Stabilität, gute chemische Beständigkeit und eine gleichmäßige, zuverlässige Förderung auch im Dauerbetrieb. Mit einer maximalen Förderleistung von bis zu 11 000 mL/min bietet der YZ35‑13 eine leistungsstarke Lösung für anspruchsvolle industrielle Anwendungen.
Spezifiktionen
Drehzahlbereich (U/min)
|
≤600rpm
|
Schlauch WT (mm)
|
3,3
|
Rollenanzahl
|
3
|
Stapelbar
|
Ja
|
Anzahl Kanäle
|
1
|
Rollenmaterial
|
Edelstahl
|
Gehäusematerial
|
PSU
|
Gewicht (kg)
|
1,65
|
Passende Schläuche
Schlauchgröße
|
Schlauch-ID (mm)
|
Schlauch-OD (mm)
|
Förderrate @600 U/min (ml/min)
|
|---|---|---|---|
26#
|
6,4
|
13,0
|
4000
|
73#
|
9,6
|
16,2
|
8000
|
82#
|
12,7
|
19,3
|
11000
|
Downloads
YZ35-13 Datenblatt 2 MB



