DCP-100 Membranpumpe
bis zu 100 ml/min - bürstenloser Motor
Beschreibung
Die DCP‑100 Serie umfasst kompakte Membranpumpen mit einer standardmäßigen Förderrate von 100 mL/min und einem Druckbereich von −300 bis +1000 mbar. Sie eignet sich für Anwendungen, bei denen Druck‑ und Vakuumleistung bei geringem Bauraum gefragt ist.
Ein leistungsstarker bürstenloser Motor sorgt für lange Lebensdauer, wartungsfreien Betrieb und geringe Geräuschentwicklung. Alle medienberührten Komponenten bestehen aus nichtmetallischen Materialien, was eine hohe chemische Beständigkeit und breite Medienkompatibilität gewährleistet.
Spezifikationen
Typ
|
DCP-100P-N1EE
|
DCP-100P-N1TG
|
|---|---|---|
Förderrate (max.)
|
100 ml/min
|
100 ml/min
|
Druck (max.)
|
1000 mbar
|
1000 mbar
|
Vakuum (max.)
|
-300 mbar
|
-300 mbar
|
Antrieb
|
12VDC | 24VDC
|
12VDC | 24VDC
|
Medientemperatur
|
0 - 80°C
|
0 - 80°C
|
Umgebungstemperatur
|
0 - 40°C
|
0 - 40°C
|
Leistungsaufnahme
|
6 W
|
6 W
|
Anschluss
|
Schlauchtüllen
|
Schlauchtüllen
|
Medienberühende Materialien
|
PP | EPDM
|
PP | PTFE | FFKM
|
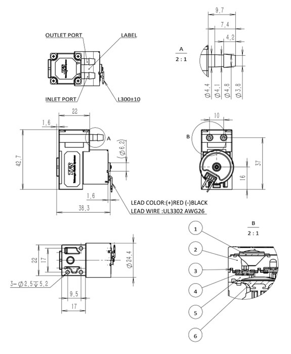
Abmessungen
|
24,4 x 42,7 x 38,3 mm
|
24,4 x 42,7 x 38,3 mm
|
Gewicht
|
ca. 50 g
|
ca. 50 g
|


